第十六期全国BIM技能等级考试一级真题免费下载

2021年2月7日
评论
541

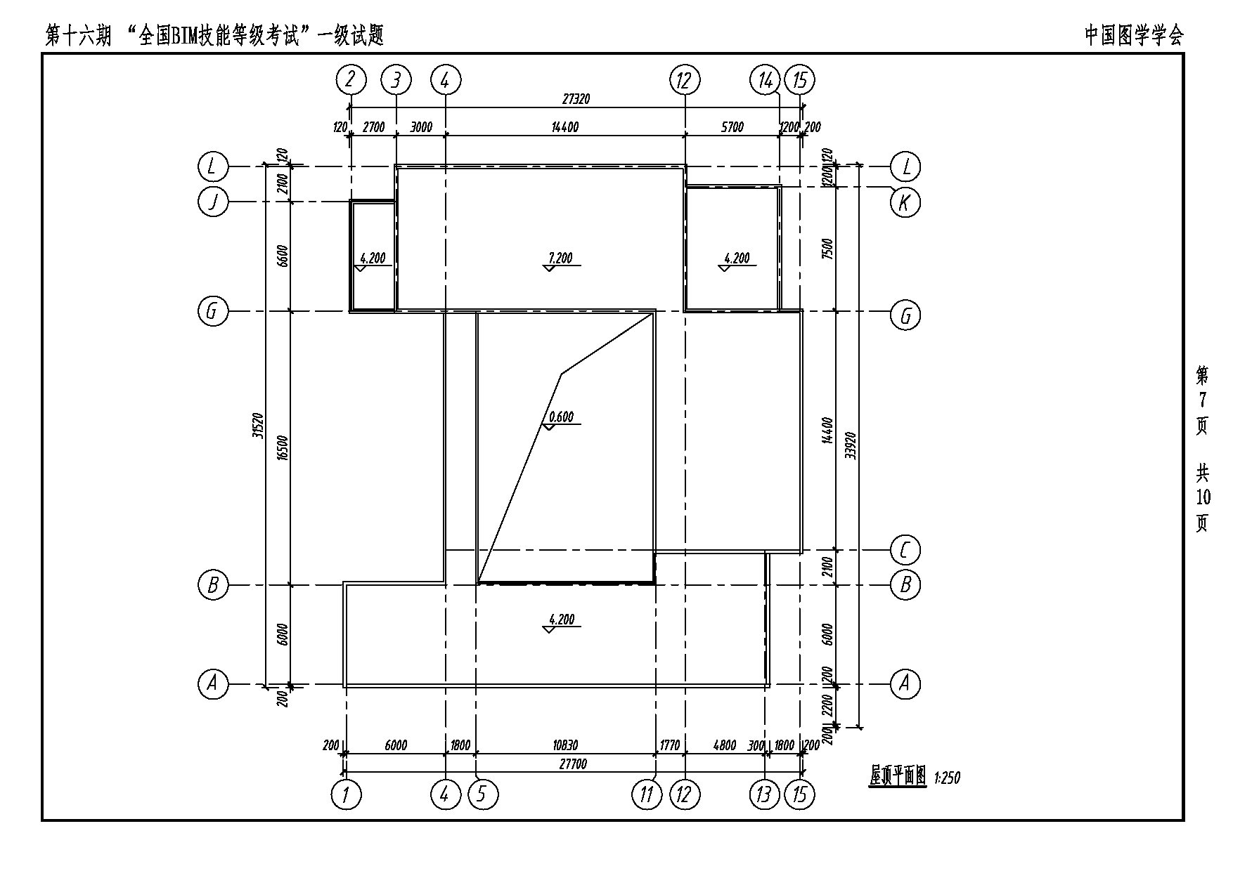
第十六期图学会《全国BIM技能等级考试》考试于2020年11月15日圆满结束!各位学员,辛苦了,无论结果怎么样,你们都努力过,就不后悔!再次恭喜今年参与考试的学员们了!!你们是最棒的!话不多说,一起来看图学会2020年的题目都考核了哪些知识点?平时练好Revit软化和CAD软件很重要啊!第十六期全国BIM技能等级考试一级真题免费下载第十六期全国BIM技能等级考试一级真题免费下载第十六期全国BIM技能等级考试一级真题免费下载第十六期全国BIM技能等级考试一级真题免费下载第十六期全国BIM技能等级考试一级真题免费下载第十六期全国BIM技能等级考试一级真题免费下载第十六期全国BIM技能等级考试一级真题免费下载第十六期全国BIM技能等级考试一级真题免费下载以下为本套试题的PDF电子版格式,如有需要可下载参考。

下载信息
下载地址
  • 加群专用
  • 加入专属土木工程群
  • weinxin
  • 微信公众号
  • 关注每天分享工程资料
  • weinxin
  • 1、爱上土木网为资源共享网站,大部分资源均可在线免费获取,少数资源可通过VIP会员方式获取权限。
    2、所有均资源来自于网络及网友供稿,仅作为学习研究之用,禁止用于任何商业用途。
    3、如本页侵犯到任何第三方权益,请联系QQ/微信:9-5-7-0-3-2-9-6提交相关证明后我们将及时删除。
    4、百度网盘分享内容难免有被取消情况发生,注册会员后由专人拉入百度网盘共享群文件分享整站资料。
  • 5、转载请务必保留本文链接:第十六期全国BIM技能等级考试一级真题免费下载
匿名

发表评论

匿名网友 填写信息

:?: :razz: :sad: :evil: :!: :smile: :oops: :grin: :eek: :shock: :???: :cool: :lol: :mad: :twisted: :roll: :wink: :idea: :arrow: :neutral: :cry: :mrgreen: