一套五层的中学教学楼毕业设计:含建筑图、结构图、计算书、设计任务书

2021年3月8日
评论
275
该资料为中学教学楼毕业设计(含建筑结构图计算书)
本科学士毕业设计相关文件,项目为标准混凝土框架结构,计算书为word格式。
资料包含开题报告与设计任务书。
图纸说明详细,结构图纸完整,各个节点大样清晰。
一套五层的中学教学楼毕业设计:含建筑图、结构图、计算书、设计任务书
结构平面图.png
一套五层的中学教学楼毕业设计:含建筑图、结构图、计算书、设计任务书
结构配筋图.png
一套五层的中学教学楼毕业设计:含建筑图、结构图、计算书、设计任务书
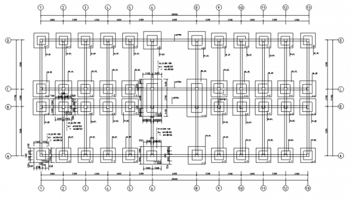
结构柱布置图.png
一套五层的中学教学楼毕业设计:含建筑图、结构图、计算书、设计任务书
基础布置图.png
一套五层的中学教学楼毕业设计:含建筑图、结构图、计算书、设计任务书
建筑平面图.png
一套五层的中学教学楼毕业设计:含建筑图、结构图、计算书、设计任务书
建筑立面图.png
下载信息
网盘密码(提取码):本资料为站内VIP会员下载,会员登录可见
下载地址
  • 加群专用
  • 加入专属土木工程群
  • weinxin
  • 微信公众号
  • 关注每天分享工程资料
  • weinxin
  • 1、爱上土木网为资源共享网站,大部分资源均可在线免费获取,少数资源可通过VIP会员方式获取权限。
    2、所有均资源来自于网络及网友供稿,仅作为学习研究之用,禁止用于任何商业用途。
    3、如本页侵犯到任何第三方权益,请联系QQ/微信:9-5-7-0-3-2-9-6提交相关证明后我们将及时删除。
    4、百度网盘分享内容难免有被取消情况发生,注册会员后由专人拉入百度网盘共享群文件分享整站资料。
  • 5、转载请务必保留本文链接:一套五层的中学教学楼毕业设计:含建筑图、结构图、计算书、设计任务书
匿名

发表评论

匿名网友 填写信息

:?: :razz: :sad: :evil: :!: :smile: :oops: :grin: :eek: :shock: :???: :cool: :lol: :mad: :twisted: :roll: :wink: :idea: :arrow: :neutral: :cry: :mrgreen: